英博国际app下载

主营产品product

联系我们Contact

英博国际app下载

地址:河南开封宏达大道北段1号宏达集团

Email: [email protected]

电话:0371-26680702  

    0371-26680708

    0371-26680701  

售后服务电话:0371-26680708 

网址 :



您的当前位置: 首 页 >> 主营产品 >> 浮子流量计

金属管浮子流量计

  • 所属分类:浮子流量计

  • 点击次数:
  • 发布日期:2025/09/25
  • 在线询价
详细介绍

       Lz型系列金属管浮子流量计


金转-1.gif


LZ系列金属管浮子流量计分为LZZLZD两大系列,具有结构简单、工作可靠、适用范围广、精度较高、安装方便等特点。该系列流量计与玻璃转子流量计比较,具有耐高压、高温、读数简明等特点。

LZ系列由仪表管体、锥形浮子和磁转换仪组成。

本系列仪表的工作参数及其换算、修正由流量仪表计算软件提供标准的计算方法,保证仪表的计量准确性。

一、工作原理

浮子在测量管中,随着流量的变化,将浮子向上移动,在某一位置浮子所受的浮力与浮子重力达到平衡。此时浮子与孔板(或锥管)间的流通环隙面积保持。环隙面积与浮子的上升高度成正比,即浮子在测量管中上升的位置代表流量的大小,变化浮子的位置由内部磁铁传输到外部的指示器,使指示器正确地指示此时的流量值。

二、种类

A、指针型

B、指针+远传

C、液晶显示

采用模块组合设计,可在现场快速的给仪表增加电信号输出.上、下限开关,流量累积功能。各功能单元板为插装结构具有更换部件简单,方便,定位准确的特点。解决了老型产品由于各环节的人为因素而产生的故障以及至使仪表更换部件后精度降低的缺陷,仪表的可靠性得到很大的提高。

 

三、产品图片



金转 4  750.jpg




金转 3 750.jpg


1593681363552709.jpg



四、安装注意事项

 

1、 严禁在安装有仪表的管道上焊接,这样可能使仪表元件退磁,以致仪表报废!

2、 仪表安装时,须将管道焊渣吹扫干净!

3、   仪表安装时,测量管须与管道在同一轴线,密封垫片内孔不应小于测量管内孔。

4、   防腐型仪表安装时,法兰紧固螺栓的紧固力要适中,以免破坏密封面。更不允许将表装好后,再焊接连接法兰,这样可能使仪表报废。

5、   为了仪表正确可靠的工作,表头磁耦合部位不能有导磁颗粒吸附在其表面。

6、   远传型仪表,为了达到好的电磁兼容性,外壳需可靠接地。

7、   带通信功能的仪表,使用时请尽量考虑周围电磁干扰对仪表的影响。尽量使用电缆。

8、   电气接线时,请确认导线与接线端子是否已可靠连接,并确认使用电压是否符合要求。

9、   请妥善处理好电缆接头的防问题,以免雨水进入表壳内。

 

   五、结构

45.png


六、安装形式


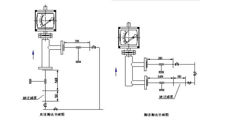
流量计垂直安装,流量计中心线与铅垂线的夹角不超过5°,在流量计的上游须保证五倍公称通径的入口直管段,下游保证250mm出口直管段。如果介质中含有固体杂质,应在流量计上游加装过滤器;如果介质中含有铁磁性物质,应在流量计的上游安装磁过滤器。为了便于维护和清洗且不影响生产,建议安装旁通管路。为了避免由于管道引起的流量计变形,安装法兰须与仪表同轴并且相互平行,并适当地支撑管道以避免管道振动和减小流量计的轴向负荷,测量系统中控制阀应安装在流量计的下游。用于测量气体时,应保证管道压力不小于5倍流量计的压力损失,以使浮子稳定工作。

英博国际app下载

US}MIEBOGMMUY]GY4{R8L5G.png

七、附件

可为用户提供前后直管段、配对法兰、磁过滤器、气体阻尼装置等附件。如果介质中含有铁磁性颗粒,就应在流量计入口处安装磁过滤器。磁过滤器中装有以螺旋方式排列的磁棒,以减小压力损失,每个磁棒均由PTFE聚四氟乙稀包裹,防止介质的腐蚀。
磁过滤器的结构见图:
英博国际app下载
磁过滤器结构 衬PTFE磁过滤器结构


八、选型

Q~{(NBLS029IE[X7VZ4)AP3.png

九、现场安装图


相关标签:浮子流量计,金属管浮子流量计价格,金属管浮子流量计批发

上一篇:没有了
下一篇:没有了

最近浏览:

在线客服
分享