英博国际app下载

主营产品product

联系我们Contact

英博国际app下载

地址:河南开封宏达大道北段1号宏达集团

Email: [email protected]

电话:0371-26680702  

    0371-26680708

    0371-26680701  

售后服务电话:0371-26680708 

网址 :



您的当前位置: 首 页 >> 主营产品 >> 涡轮流量计

液体涡轮传感器

  • 所属分类:涡轮流量计

  • 点击次数:
  • 发布日期:2025/09/25
  • 在线询价
详细介绍

    液体涡轮传感器

                ——————法兰连接

宝塔型液体涡轮传感器输出脉冲信号,可与智能液晶积算仪配套使用,组成分体式液体涡轮流量计。具有小巧、美观、轻便等优点。

液体涡轮流量传感器是将管道中液体的流量转换成电脉冲信号、并经过显示仪表或计算机系统处理来完成对管道中液体流量的测量或总量计量。涡轮流量仪表包括液体涡轮流量传感器、液体涡轮流量变送器和现场显示涡轮流量计等,属于速度式流量仪表。适用于清洁液体的测量,可用来测量封闭管道中的体积流量或总量。具有结构简单、轻巧、复现性好、反应灵敏、安装维护使用方便等特点,广泛应用于石油、化工、供水、食品、制药及科研试验等行业。

一、工作原理

当流体流经仪表时,推动表内叶轮旋转,然后通过叶轮与信号检测器之间的磁耦合,将流体的流速转换为电脉冲信号输出,通过放大器放大整形并传输给显示仪表,即达到对流体的体积流量或总量的测量目的。

    在流量范围内,脉冲频率f与流经传感器的液体的体积流量Q成正比。流量方程式为:Q=f/K

式中:f—脉冲频率

      K—传感器的仪表系数【1/L】由“校验单”给出。

二、基本参数及性能标准

1、传感器执行专业标准(JB/T9246-1999涡轮流量传感器)

2、被测流体温度

普通型 -20~+120℃

防爆型 -20~70℃

3、 输入信号:

 两线制输出

输出低电平IOL≈3mA

输出高电平IOH≈13mA(方波)

负载电阻R(包括线路阻抗)在100~500Ω范围内(根据所配置的显示仪表或其它接收装置输入信号的要求,选择合适的R值.)

三线制输出:VOP-P≥5V    (方波)

4、电源供电

两线制:+24VDC

三线制:+12VDC~+24VDC    

5、传输距离:1Km

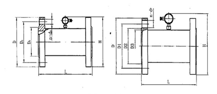
6、连接结构及尺寸:

三、更多液体涡轮产品

液体涡轮 水印.jpg


相关标签:涡轮流量传感器,液体涡轮传感器,液体涡轮流量传感器

最近浏览:

相关产品:

相关新闻:

在线客服
分享